首页 > 产品中心 > 热源设备系列 > 正文
RLY系列燃油、气热风炉
RLY系列燃油、气热风炉

关键词:
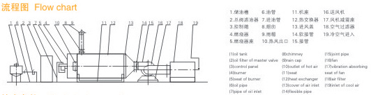
产品概述:燃料通过燃烧器燃烧,产生高温燃气。并借助具有强化换热措施的热风炉将高温燃气的热量传导给被加热的空气,高温燃气经热量散发后温度降低至250℃后排到大气中。需加热的空气通过选配的鼓风机强送入热风炉,吸热后温度升至额定值从热风出口处送出,当热风温度达到额定温度上限时,燃烧器会自动停止燃烧或自动转为小火焰燃烧,当热风温度降低到额定下限温度时,燃烧器又会重新点燃运行或转为大火燃烧,升温的速度可以调节进风阀的开度来实现。

相关介绍

简述:燃料通过燃烧器燃烧,产生高温燃气。并借助具有强化换热措施的热风炉

类别:热源设备系列

原理:
    燃料通过燃烧器燃烧,产生高温燃气。并借助具有强化换热措施的热风炉将高温燃气的热量传导给被加热的空气,高温燃气经热量散发后温度降低至250℃后排到大气中。需加热的空气通过选配的鼓风机强送入热风炉,吸热后温度升至额定值从热风出口处送出,当热风温度达到额定温度上限时,燃烧器会自动停止燃烧或自动转为小火焰燃烧,当热风温度降低到额定下限温度时,燃烧器又会重新点燃运行或转为大火燃烧,升温的速度可以调节进风阀的开度来实现。

特点:
    广泛应用于制药、化工、食品、纺织印染、粮食加工、木材加工、汽车等工业领域各种产品的干燥、固化、热定型等作业。

 

 

技术参数:

 

型号/参数

输出热量(KJ/h)

输出风量(m3/h)

输出温度(℃)

耗油量(kg/h)

燃烧器型号

RLY-2.5

1.045×105

1500-560

60-200

4-5

M4

RLY-4

1.672×105

3500-930

60-200

6-7

M8

RLY-8

3.344×105

5600-1480

60-200

11.5-13.5

M12

RLY-15

6.270×105

12000-2160

60-250

21.5-25

M20

RLY-30

12.54×105

25000-4330

60-250

43-50

MP3B

RLY-40

16.72×105

28000-5600

60-250

57-67

MP4B

RLY-60

25.08×105

45000-8660

60-250

86-100

MP80AB

RLYL-80

33.44×105

83000-12500

60-350

114-135

MP130AB

RLY-160

66.88×105

134400-23000

60-350

228-270

MP200AB

RLY-200

83.60×105

170000-28000

60-350

286-334

MP300AB

注:1、输出温度指输入温度在20℃时的温升值。
      2、油的燃烧值按4800KJ/kg计算。
0 条评论
不想登录?直接点击发布即可作为游客留言。